skoda katalog logo

©koda 105-136, GARDE, RAPID

hlavní stránka |  katalog |  vyhledávání |  linky |  technické info |  statistiky |  admin

Zoznam dielov > Motor > Díly karburátoru 2 [0880 - 0784]
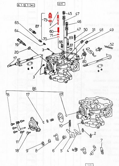
Obrazok dielu
kód dielu (obr)  87
obj. číslo  190-940450
názov dielu  VENTILEK ODVZDUSNOVACI UPLNY
počet kusov (vąetky typy)  1
→ kód typu  
počet kusov (garde/rapid)  1
→ kód typu  
zamenitelnos» (stary/novy/ins.)  
platnos» od  0880
platnos» do  
poznámka  
  
číslo dielu AZNP   (v príprave)
číslo dielu JKPOV   (v príprave)
  
E-SHOP   e-shop   (N/A)
  
 Galéria fotiek
→ Prida» fotku
[tlač / tisk / print]
TOPlist
mySQL queries: 9, PHP'd: 0.0334 sec

PARTNEŘI  skoda.panda.cz  skoda-virt.cz  japl.cz  skodateam.cz  garde.plivnik.cz  skoda130lr.mypage.cz  forum.skodovka.pl  skodexim.pl