 |
|
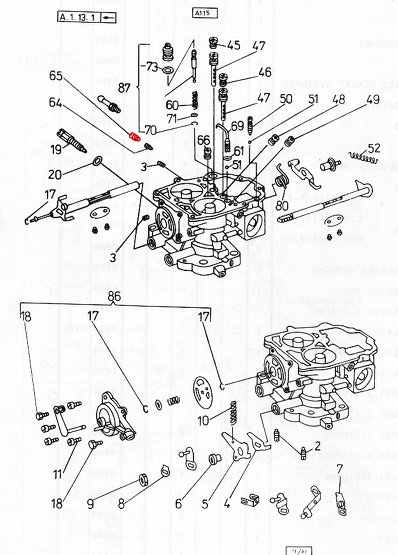
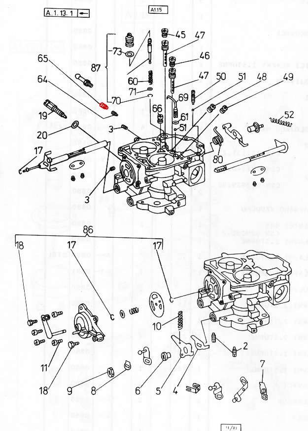
kód dielu (obr)
|
65 |
|
obj. číslo
|
113-940630 |
|
názov dielu
|
ZATKA M8x1 |
|
počet kusov (vąetky typy)
|
1 |
|
→ kód typu
|
|
|
počet kusov (garde/rapid)
|
1 |
|
→ kód typu
|
|
|
zamenitelnos» (stary/novy/ins.)
|
|
|
platnos» od
|
0880 |
|
platnos» do
|
|
|
poznámka
|
1 |
| → kód materiálu | 1 - ocel, litina | | | |
|
číslo dielu AZNP
|
(v príprave) |
|
číslo dielu JKPOV
|
(v príprave) |
| | |
E-SHOP
|
(N/A) |
| | |
|
|
[tlač / tisk / print]
|